欢迎访问深圳市鸿镁科技有限公司官方网站!
  • 淘宝店铺
  • 中文版
  • 英文版
  • 深圳市鸿镁科技有限公司
    网站首页 关于我们 产品展示 应用案例 视频中心 新闻中心 联系我们
     
    ——   产品展示   ——
    PRODUCTS  CENTER
    直线位移传感器
    HLC拉杆式位移传感器
    KTF滑块式位移传感器
    KTM微型拉杆式位移传感器
    KTR自复位式位移传感器
    KPM微型绞接式位移传感器
    DHL防水型位移传感器
    HPC绞接式位移传感器
    磁致伸缩位移传感器
    RH油缸内置系列
    RP油缸外置系列
    RB扁平式
    ES磁致伸缩位移传感器
    EHA
    EJ
    EPA
    ESC
    RFRD
    ER
    HPEP
    拉绳传感器
    WPS-M
    WPS-S
    HPS
    位移数显表
    HM-11单通道智能测控仪
    HM-12双通道智能测控仪
    LVDT
    HMC-T080
    HMC-T120
    HMC-190
    HMC-180
    HMC-095
    HMC-150
    HMC-120-030
    ——   新闻中心   ——
    NEWS  CENTER
      ·  位移传感器可用于自动焊机位移测
      ·  DHL防水型位移传感器用于水轮发电
      ·  位移传感器用于精密减振平台设计
      ·  直线位移传感器用于全自动旋铆机
      ·  位移传感器与PLC控制系统的接线方

    24小时咨询热线
    18002553168

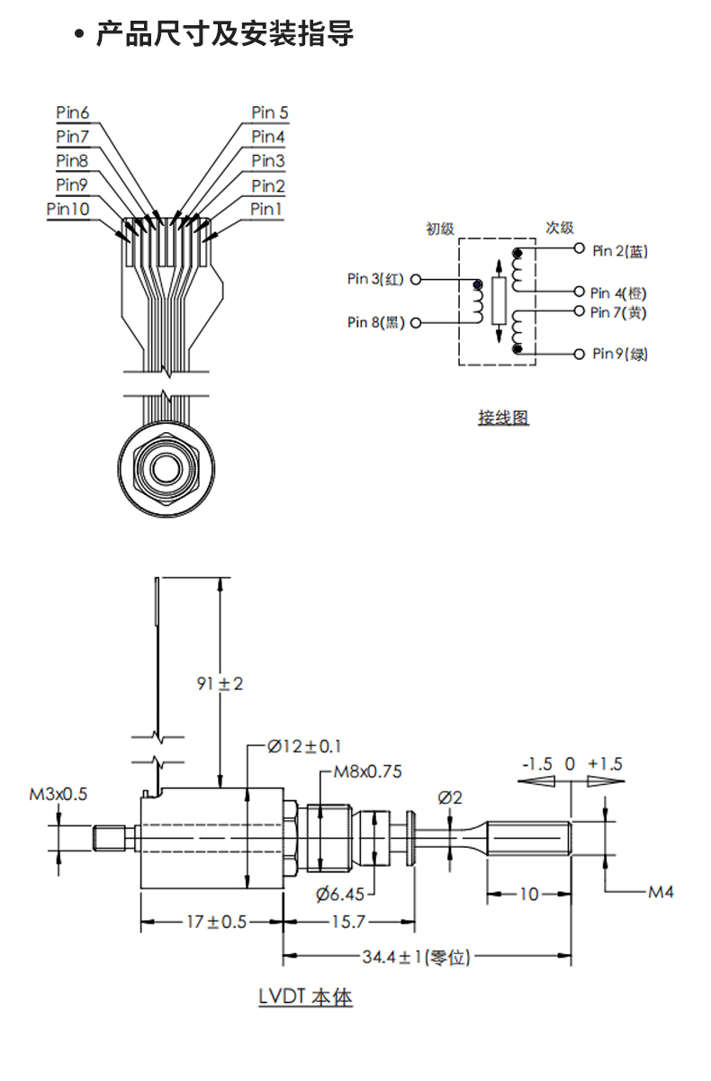
    HMC-120-030电感式比例电磁阀高精密阀芯位置测量





  • 上一页:HMC-150-AC高精度阀芯位移
  • 下一页:RFRD分体式柔性磁致伸缩
  •  
    业务咨询:叶工18098992657  /  司工18002573585
    技术支持:王工 13798569108
    座机:0755-27680086  传真:0755-23403882
    邮箱:1931998318@qq.com
    地址:广东省深圳市龙岗区湖新街竹高塘路3号大皇公工业区9栋四楼
     
     
    深圳市鸿镁科技有限公司版权所有    备案号:粤ICP备18118559号-1  

    扫一扫个人微信